您当前所在位置 > 21点技巧 > 院务公开
院务公开
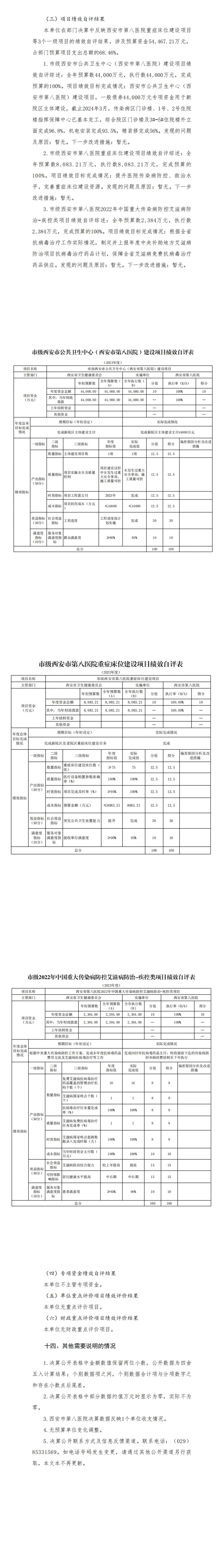
2023年21点技巧
部门决算
发布日期:2024-11-18   
作者:佚名   
来源:财务科   
点击量:3697   分享到:
服务号:21点技巧
抖音号:西安市八院
订阅号:西安市八院







预约挂号
在线咨询
来院交通
专家出诊表